Модули адресные управляющие МАКС-УРП
Модуль адресный управляющий
МАКС-УРП
Цена: 4494 руб.
Степень защиты оболочки по ГОСТ 14254-96 - IP41
Информативность модуля 7:
- "Норма";
- "Сообщение 1";
- "Сообщение 2";
- "Неисправность управления (Нет питания нагрузки/Обрыв цепи управления)";
- "Обрыв ШС";
- "КЗ ШС";
- "Нет связи".
Задержка передачи сообщений (кроме «Нет связи»), не более 1 сек.
Напряжение питания переменного тока 220В.
Длина контрольного шлейфа (КШС), не более 300 м.
Длина линии подключения кнопки дистанционного пуска, не более 50 м.
Контакты реле выдерживают:
- напряжение переменного тока, не более 250В,
- ток в активной нагрузке при напряжении ≈230В,
НР-контакт реле (открывающая цепь), не более 5А,
НЗ-контакт реле (закрывающая цепь), не более 0,5А
Ток контроля цепи управления, не более 0,12мА.
Работоспособность в температурном диапазоне от -20°С до +70°С и относительной влажности 93% при температуре 40 °С.
Габаритные размеры, не более 100х150х43 мм.
Масса, не более 0,15 кг.
Средняя наработка на отказ не менее 60000 часов.
Срок службы не менее 10 лет
Модуль адресный управляющий МАКС-УРП (далее «модуль») предназначен для формирования адресных управляющих сигналов пуска и контроля состояния/положения приводов автоматики незадымляемости при работе в составе системы сигнализации «Юнитроник-496М». Допускается управление приводами любых типов, реверсивных типа BLE, с возвратной пружиной типа BLF, электромагнитных и других.
Модуль подключают к двухпроводной адресной линии, по которой осуществляется его питание и обмен данными с АПКП. Модуль передает на АПКП сообщения и принимает команды с указанием своего адресного кода. Уникальный адресный код устанавливается на заводе и не может быть изменен.
Модуль имеет вход сетевого питания ~230В для обеспечения электропитанием привода.
Модуль имеет выход реле, НЗ- или НР-контакты которого коммутируют напряжение питания привода. Включенное состояние реле индицируется миганием красного светодиода.
Пусковые цепи модуля имеют защиту от короткого замыкания в нагрузке. В цепи общего контакта реле установлен плавкий предохранитель 5А.
Модуль имеет вход двухпорогового контрольного ШС (КШС) для подключения датчиков положения привода. Так, при работе с клапаном дымоудаления модуль выдает сигналы о начале открытия клапана и о полном его открытии.
Модуль контролирует КШС на обрыв и короткое замыкание.
Модуль имеет вход для подключения НР-кнопки дистанционного управления (ДУ) реле.
Допускается использовать кнопки с фиксацией и без фиксации.
При использовании кнопки без фиксации первое нажатие приводит к включению реле, повторное нажатие - к выключению.
При использовании кнопки с фиксацией нажатие на кнопку приводит к срабатыванию реле, а восстановление кнопки в исходное состояние приводит к выключению реле.
В качестве кнопки ДУ рекомендуется использовать устройство дистанционного пуска УДП-И
Модуль контролирует наличие напряжения питания управляемых устройств 230В и исправность цепей управления, включая внутреннюю цепь управляемого устройства.
Модуль имеет оптический двухцветный индикатор режима работы:
- дежурный режим – индикатор выключен;
- включено реле – проблески красного цвета с периодом 5 сек;
- срабатывание датчика в контрольном ШС – проблески желтого цвета с периодом 5 сек (при включенном реле не индицируются);
- обобщенная неисправность (неисправность цепи управления, неисправность КШС, неисправность или отсутствие питания управляемого устройства) – двойной проблеск желтого/красного индикатора с периодом 5 сек.
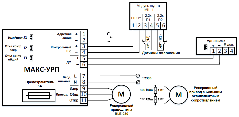
Совместно с модулем МАКС-УРП может применятся МШ-1 (модуль шунта), коммутационное устройство, которое используется для удобства подключения датчиков положения привода и коммутации необходимых добавочных сопротивлений.
МШ-1 имеет отдельные винтовые клеммы для подключения контрольного шлейфа и датчиков положения привода. Внутри модуля установлены необходимые добавочные и оконечное сопротивление.
| Особенности: |
|
1. Рекомендованные типы приводов: BLE 230В, BLE 230 Belimo и аналогичные. |
- 1) 100% предоплата.
- 2) Для юридических лиц: безналичный перевод, по реквизитам указанным в выставленном счете.
- 3) Для физических лиц: оплата наличными возможна при покупке продукции в офисе компании, путем оплаты ее в Сбербанке России.
- 1) Для юридических лиц:
- Самовывоз со склада компании. Для получения заказа представителю организации необходимо иметь: надлежащим образом оформленную доверенность на право получения материальных средств, или печать организации и доверенность на право подписи от лица руководителя организации.
- Доставка продукции возможна транспортными компаниями: Деловые линии, ПЭК или любой удобной Вам. Вы можете самостоятельно заказать любую транспортную или курьерскую службу с забором груза со склада после согласования с Вашим менеджером. - 2) Для физических лиц:
- Самовывоз со склада компании. Для получения заказа необходимо будет предъявить паспорт гражданина Российской Федерации.
- Курьерская доставка по Москве.
- Доставка транспортными компаниями, либо курьерскими службами.
Охранно-пожарные сигнализации и другая продукция компании «ЮНИТЕСТ» получила все требуемые сертификаты. Базовые устройства и вспомогательное оборудование обладают значительным рабочим ресурсом. При выполнении правил эксплуатации такие системы пожарной сигнализации прослужат более 10 лет. Кабели способны сохранять свои параметры в течение 20 лет. Мы даем гарантию на все разновидности продукции:
- 10 лет на охранно-пожарную сигнализацию «Минитроник»;
- 5 лет на пожарные извещатели «Один дома-2»;
- 2 года на адресно-аналоговую систему «Юнитроник» − «Минитроник А32»;
- 2 года на шлейфовое управляющее устройство «УШУ-1».
Гарантийный срок эксплуатации и хранения продукции в упаковке от 2-х до 10-ти лет со дня изготовления.
Гарантийное обслуживание и ремонт производятся ООО Торговый Дом «ЮНИТЕСТ», Россия, 105523, г.Москва, ул. 15-я Парковая, д. 46Б.
| Руководство по эксплуатации МАКС-УРП | |
| Сертификат МАКС-УРП | |
| Внешний вид МАКС-УРП | |
| Схема подключения МАКС-УРП | |
| Инструментальная палитра динамических блоков Юнитест для программного обеспечения AutoCAD |
Габаритные и установочные размеры МАКС-УРП.

Схема подключения контрольного шлейфа сигнализации КШС. Rок= 560 Ом, R1 = 2,2кОм. Все резисторы ±5%, 0,25 Вт.
В дежурном режиме оба концевых выключателя в КШС должны быть замкнуты.
При размыкании одного из контактов формируется «Сообщение 1» (например, «Клапан приоткрыт»), при двух разомкнутых контактах – «Сообщение 2» («Откры-то»).

Модуль шунта МШ-1 для подключения к КШС.

Схема подключения реверсивного привода типа «BLE 230» к МАКС-УРП.
В зависимости от конструкции привода (например, привод производства Nanotek), при необ-ходимости установить нагрузочные резисторы 100 кОм ±5%, 1 Вт. Резисторы устанавливать в непосредственной близости от привода.

Схема подключения привода с возвратной пружиной типа «BLF 230» (нормально-включенной нагрузки) с контролем наличия напряжения питания нагрузки.

Схема подключения электромагнитного привода (нормально-выключенной нагрузки) с контролем наличия напряжения питания нагрузки.
C этим товаром покупают


.png)



